AKTARIM POMPALARI

AKTARIM POMPALARI

Ürün Kodu: KSL-DLP

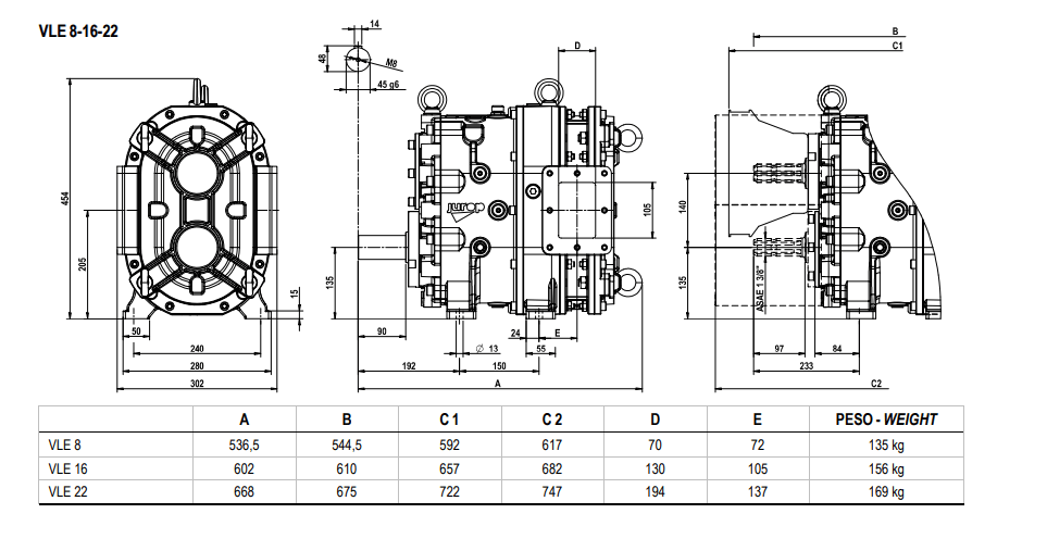
Teknik Bilgiler

Serim3/hl/minrpmbarkW
VL845,4760600813
VL1691,21.520600621
VL22136,42.274600420
BR1201272.1255401039
BR2402554.250540650

Ürün Detayları

Aktarım pompaları, pozitif deplasmanlı döner loblu kendinden emişli pompalardır. Akış hızı, dönüş hızıyla orantılı olarak değişir. Karşılıklı iki dönen lob, girişten çıkışa aktarılır, pompalanan ortam loblar ve pompa gövdesi arasında oluşturulan ceplere çekilir.

Pompa, maksimum 30 mm boyutunda, aşındırıcı ve askıda katı maddeler de içeren viskoz ve lifli ürünlerin, kanal atıklarının, macunların ve çamurların transferine izin verir. Pompa 5 m derinliğe kadar (su ile) kendinden emişlidir. Karşılıklı iki dönen lob, girişten çıkışa aktarılır, pompalanan malzeme loblar ve pompa gövdesi arasında oluşturulan ceplere çekilir. Dişli kutusu, bir ayırma odasını belirleyen conta tutma tezgahı tarafından çalışma odasından izole edilir. İkincisi, altta bir drenaj deliği ile donatılmıştır ve bu, contaların sızması durumunda pompalama odasından gelen sıvının tahliyesine izin verir.

 

İletişim Formu

Lütfen tüm alanları kontrol ediniz.
Talebiniz iletildi.